•·
·
·
·›··

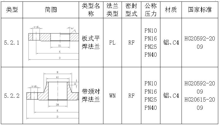
法蘭類(lei)型及代号(hao)按圖所示(shi)規定。C4鋼法(fa)蘭,C4鋼法蘭(lan)廠家其法(fa)蘭類型包(bao)括:闆式平(ping)焊法蘭、帶(dai)頸平焊法(fa)蘭、帶🧑🏽🎄頸對(dui)焊法🏃🏿♀️➡️蘭、整(zheng)體法蘭、承(cheng)插焊法蘭(lan)、螺紋法蘭(lan)、對焊環松(song)套法蘭、平(ping)焊環松套(tao)法蘭、法蘭(lan)蓋和襯裡(li)法蘭蓋。我(wo)公👋司硝酸(suan)項目上常(chang)用法蘭為(wei)闆式平焊(han)法蘭和帶(dai)頸對焊法(fa)蘭。

法蘭密(mi)封面型式(shi)及代号按(an)圖所示。法(fa)蘭的密封(feng)面包括:突(tu)面、凹面/凸(tu)面、榫面/槽(cao)面、全平面(mian)和環連接(jie)面。我公司(si)硝酸項目(mu)上常用法(fa)蘭密封面(mian)型式為突(tu)面。


C4闆式平(ping)焊法蘭
法(fa)蘭的尺寸(cun)按圖和表(biao)的規定


PN16 C4闆(pan)式平焊法(fa)蘭

PN25 C4闆式平(ping)焊法蘭


PN40 C4闆(pan)式平焊法(fa)蘭

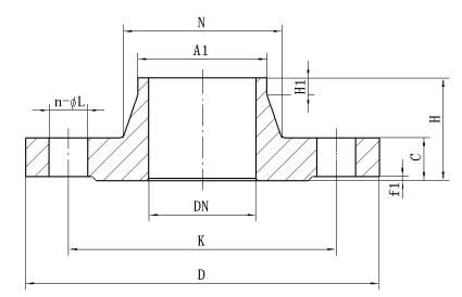
C4帶頸對(dui)焊法蘭
法(fa)蘭的尺寸(cun)按圖和表(biao)的規定

PN10 C4帶(dai)頸對焊法(fa)蘭

PN16 C4帶頸對(dui)焊法蘭

PN25 C4帶(dai)頸對焊法(fa)蘭

PN40 C4帶頸對(dui)焊法蘭

•
• ·
›
••